光伏逆变
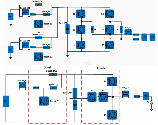
光伏逆变器在单个光伏 (PV) 电池板上转换电源,单个光伏电池板的额定功率通常为 400W,多个光伏电池板的额定功率则高达 1.5KW。光伏逆变器通常基于两级式电源转换。首先,直流转直流阶段或升压电路将可变直流电压转换为固定直流电压(通常为 40 V - 60 V)。
同时,通过最大功率点跟踪技术能较大限度地从光伏板获取能量(通常 FSW = 100 KHz)。
首先在直流转直流阶段或升压电路将可变直流电压转换为固定直流电压(通常为 40 V- 60 V)。
同时,通过最大功率点跟踪技术保证从光伏板中提取最大电流。其次,在直流转交流阶段,逆变级将直流电源转换成与电网兼容的 1Φ 的交流电源。与组串式逆变器相反,微型逆变器可以连接一个、两个或四个光伏板,并分别对每个PV模块进行MPPT跟踪。我司对于光伏逆变行业有十分匹配的物料推荐。

变频器
变频器主要由整流(交流变直流)、滤波、逆变(直流变交流)、制动单元、驱动单元、检测单元微处理单元等组成。变频器靠内部IGBT的开断来调整输出电源的电压和频率,根据电机的实际需要来提供其所需要的电源电压,进而达到节能、调速的目的,另外,变频器还有很多的保护功能,如过流、过压、过载保护等等,而我司对变频器应用也有十分匹配的分立器件选择。

储能
储能设备--户外电源在国内逐渐流行起来,外出游玩、抗灾、停电应急、户外续航等都可以用得上。国内储能设备市场仍然属于一块未开荒市场,未来几年应该会迎来爆发式增长。我司针对户外电源市场有完善的分立器件配套物料,其BMS板、均衡电路、逆变电路,我们均有完善的器件搭配。

UPS
UPS电源主要由两部分电路组成,一部分是对蓄电池进行升压的boost电路;另一部分是将升压后的直流电压逆变成交流供给电网的逆变电路。升压电路部分选用650V规格的高速IGBT单管。逆变电路部分根据功率及电路拓扑不同,选用不同规格的600V或1200V IGBT单管。
